Tin Tức Chuyên Môn
VÒNG BI NTN CÔN MỘT DÃY (TAPERED ROLLER BEARING)

Vòng bi NTN côn một dãy là loại vòng bi phổ biến trong các ứng dụng:
- Cơ khí.
- Đặc biệt là ô tô.
- Máy công nghiệp.
- Thiết bị truyền động.
Dưới đây là danh sách các mã vòng bi côn một dãy thường gặp, được phân theo các dòng tiêu chuẩn:
- Dòng 4T-302xx (vòng bi côn tiêu chuẩn)
- Dòng 4T-303xx (chịu tải cao hơn)
- Dòng 4T-320xx (phổ biến trong ô tô và máy công nghiệp)
- Dòng 4T-322xx và 4T-323xx (chịu tải rất lớn)
Lưu ý: Tiền tố “4T-“ là ký hiệu riêng của NTN để chỉ vòng bi côn một dãy có chất lượng cao, được sản xuất theo công nghệ tiên tiến của Nhật Bản.
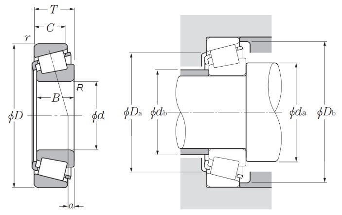
Đặc điểm nổi bật của vòng bi côn một dãy
- Chịu tải kết hợp: Có khả năng chịu cả tải trọng hướng tâm và hướng trục theo một chiều. Đây là điểm mạnh so với vòng bi cầu thông thường.
- Cấu tạo tách rời: Gồm vòng trong, vòng ngoài và con lăn côn. Các bộ phận có thể tháo rời, thuận tiện cho việc kiểm tra, thay thế và lắp ráp.
- Độ chính xác cao: Được chế tạo với độ chính xác cao, giúp giảm độ rung và tiếng ồn trong quá trình vận hành.
- Tuổi thọ dài: Nhờ vật liệu thép hợp kim chất lượng cao và công nghệ xử lý nhiệt tiên tiến, vòng bi có độ bền vượt trội.
- Khả năng làm việc ở tốc độ cao: Một số dòng được thiết kế đặc biệt để vận hành ổn định ở tốc độ cao mà vẫn duy trì độ bền.
Ứng dụng phổ biến:
- Trục bánh xe, hộp số, trục truyền động
- Máy cán thép, máy ép, máy nghiền, hộp giảm tốc
- Trục bánh xe, hệ thống truyền lực
- Trục bánh tàu, hệ thống treo
- Trục quay, hệ thống truyền động chính xác
- Trục chân vịt, hệ thống truyền động tàu biển


Thông số kỹ thuật vòng bi NTN côn một dãy 32009X
THÔNG SỐ VÒNG BI NTN : https://bearingfinder.ntnamericas.com/
- Khuyến cáo : nên sử dụng vòng bi NTN theo thông số kỹ thuật trên catalogs chính hãng.
- Chúng tôi cung cấp đầy đủ các mã vòng bi NTN côn một dãy từ 4T-302xx, 4T-303xx, 4T-320xx, 4T-322xx, 4T-323xx chính hãng, giá tốt, giao hàng nhanh toàn quốc.
- Liên hệ ngay để nhận báo giá chi tiết và tư vấn chọn vòng bi phù hợp cho thiết bị của bạn!
Hotline: 090.685.8758
Email: purchasing01@vongbintn-hnp.vn


5 phản hồi
Để lại góp ý nhanh bằng Họ và tên cùng SĐT. Bình luận sẽ được kiểm duyệt trước khi hiển thị.
Thông tin chi tiết và rõ ràng, rất hữu ích cho những ai đang tìm hiểu về vòng bi NTN côn một dãy. Danh sách mã vòng bi được phân loại giúp việc tra cứu dễ dàng hơn. Đánh giá 5 sao hoàn toàn xứng đáng.
Bài viết cung cấp thông tin rất chi tiết và hữu ích về vòng bi NTN côn một dãy. Tôi đang tìm hiểu về loại vòng bi này cho dự án của mình và thấy danh sách mã sản phẩm rất tiện lợi. Đánh giá 5 sao vì tính chuyên môn và sự rõ ràng của bài viết.
Thông tin về vòng bi NTN côn một dãy rất đầy đủ và hữu ích. Tôi thấy danh sách mã vòng bi được phân loại rõ ràng, giúp tìm kiếm dễ dàng hơn. Sản phẩm này có vẻ chất lượng và đáng tin cậy.
Thông tin về vòng bi NTN côn một dãy rất đầy đủ và hữu ích. Mình thấy danh sách mã sản phẩm được phân loại rõ ràng, giúp dễ dàng tìm kiếm. Chất lượng sản phẩm NTN thì khỏi phải bàn, 5 sao cho bài viết này!
Thông tin về vòng bi NTN được trình bày rất rõ ràng và đầy đủ. Danh sách mã sản phẩm theo dòng giúp việc tìm kiếm trở nên dễ dàng hơn nhiều. Đánh giá 5 sao hoàn toàn xứng đáng cho bài viết hữu ích này.